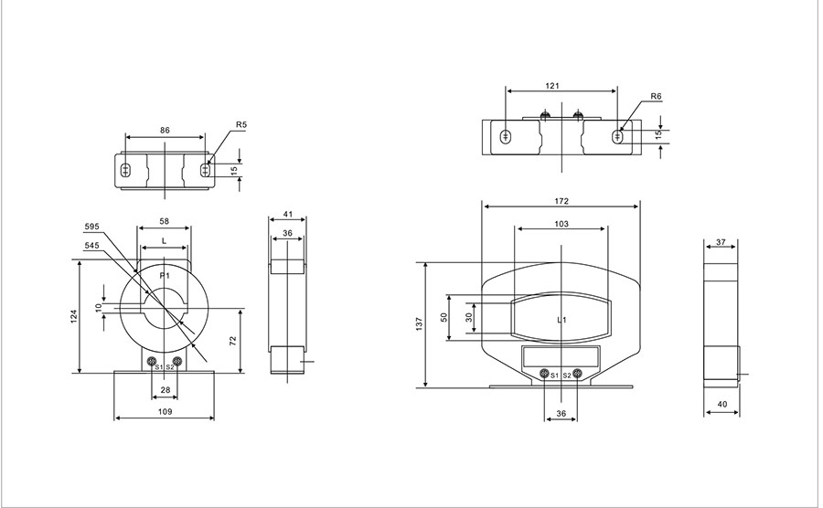
LMZ1/LMZJ1-0.5型电流互感器
产品概述General本系列电流互感器适用于额定频率50/60Hz,额定电压0.5kv及以下的电力系统中,作电能计量,电流测量和继电保护用。
产品价格:
全国服务热线:
150-5897-7878