旭彩网10218

LJ-φ75型电流互感器

LJ-φ75型电流互感器

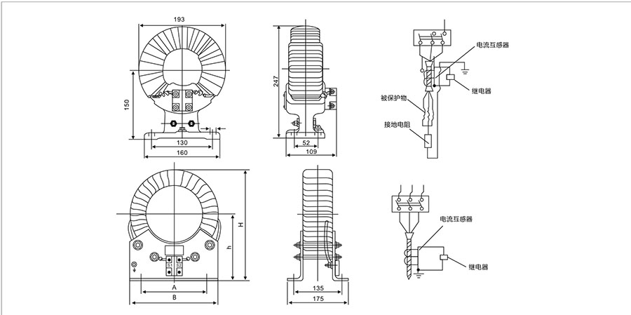
产品概述General本系列零序电流互感器适用于户内,额定频率50/60Hz,额定电压35KV及以下的小接地电流系统中供电缆接地保护用。与本型电流互感器配套使用的继电器型号为DL-11.0.2型。
产品价格:
全国服务热线: 150-5897-7878

产品详情

上一篇
LZW32-10(12)型电流互感器
下一篇
LCT-2、3、4、7型电流互感器

联系方式