互感器制造商Transformer manufacturer 首页 产品中心 高压计量箱系列 干式电流互感器系列 干式电压互感器系列 油浸式互感器系列 户外真空专用互感器 零序电流互感器系列 低压互感器系列 新闻资讯 公司动态 业界资讯 常见问答 应用领域 旭彩网10218 公司介绍 联系我们 联系我们
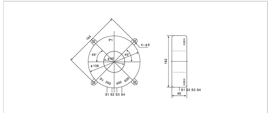
LR(D)-10型电流互感器 产品概述GeneralLR(D)-10型户外真空专用电流互感器由我公司生产销售。 产品价格: 全国服务热线: 150-5897-7878 产品详情 上一篇 LCWD、LCWD1、LCWQ、LCWQD-35型电流互感器 下一篇 LZW32-10(12)型电流互感器 相关推荐 LZZBJ18-10型电流互感器 LZZJ(Q)B6-10(Q)型电流互感器 JLSZV-10型户外高压计量箱 户外高压计量箱 户外高压计量箱 JLS-3油浸式高压计量箱