互感器制造商Transformer manufacturer 首页 产品中心 高压计量箱系列 干式电流互感器系列 干式电压互感器系列 油浸式互感器系列 户外真空专用互感器 零序电流互感器系列 低压互感器系列 新闻资讯 公司动态 业界资讯 常见问答 应用领域 旭彩网10218 公司介绍 联系我们 联系我们
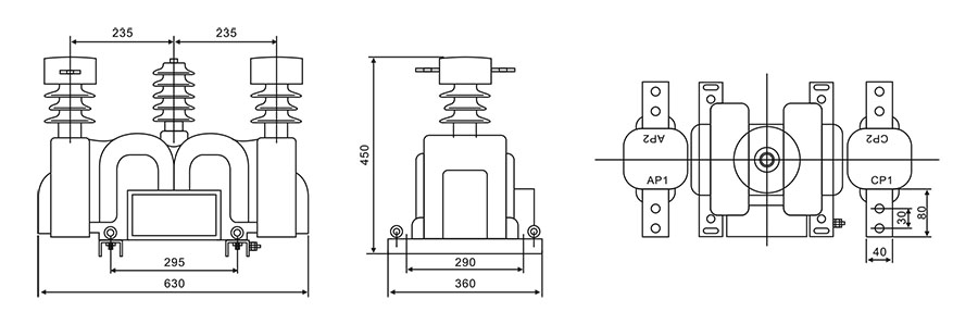
三相三线制干式计量箱安装说明 2019-07-02 09:10:08 2901 上一篇 户外高压计量箱型号含义及技术参数 下一篇 三相四线制干式计量箱型号含义 相关推荐 10KV高压计量箱单双变比之间的区别 2019/09/11 10KV高压计量箱型号 2019/09/11 户外10kv高压计量箱多少钱 2019/09/11 杆上高压计量箱接线图 2019/09/11 10kv计量箱安装图及安装标准 2019/09/11 倒立式高压计量箱特点及优点 2019/07/17 自动转换型高压计量箱 2019/07/17 35KV高压计量箱使用介绍 2019/07/17